開発力・製造力・商社力 三つの力でお客様のご要望にお応えいたします

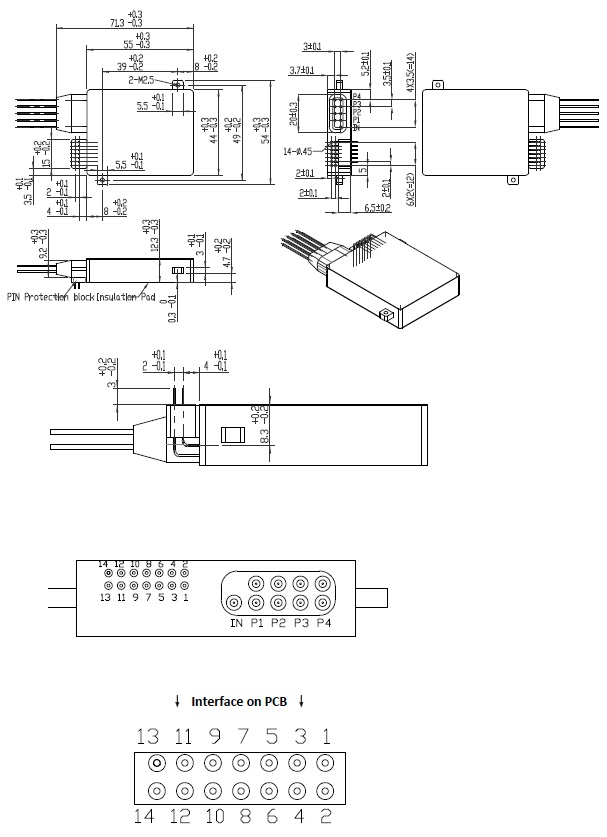
光スイッチは光ネットワークの線路切り替えに使われる部品です。本製品はミニサイズパッケージの1×4 あるいは1×8の光スイッチです。
| パラメータ | 単位 | 値 |
| タイプ | シングルモード, 1×4スイッチ | |
| 波長 | nm | 1280 ~ 1340 or/and 1520 ~ 1610 |
| 挿入損失 | dB | ≦1.0 |
| WDL | dB | ≦0.2 |
| PDL | dB | ≦0.2 |
| リターンロス | dB | ≧45 |
| クロストーク | dB | ≧60 |
| スイッチ速度 | ms | <10 |
| リピータビリティ | dB | ≦±0.05 |
| 耐久性 | 回 | >107 |
| ファイバタイプ | SMF-28e | |
| ファイバ長 | m | 1 |
| 動作電圧 | V | 最小 4.5, 最大 6.5 |
| スイッチ電流 | mA | 120 |
| 許容光パワー | mW | ≦500 |
| 動作相対湿度 | % | 5 ~ 90 |
| 動作温度 | ℃ | -5 ~ +65 |
| 保管温度 | ℃ | -40 ~ +85 |
| サイズ (L x W x H) | mm | 55 x 44 x 15 |
| メーカ | Opneti communications |
| 光パス | Pin割当て | |||||||||||||
| 制御入力 | 状態出力 | Common入力 | ||||||||||||
| 1A | 1B | 2A | 2B | 3A | 3B | 4A | 4B | S1 | S2 | S3 | S4 | +5V | GND | |
| Pin1 | Pin2 | Pin3 | Pin4 | Pin5 | Pin6 | Pin7 | Pin8 | Pin9 | Pin10 | Pin11 | Pin12 | Pin13 | Pin14 | |
| Com-P1 | +5V | 0V | 0V | +5V | 0V | +5V | X | X | +5V | GND | GND | GND | +5V | GND |
| Com-P2 | 0V | +5V | +5V | 0V | 0V | +5V | X | X | GND | +5V | GND | GND | +5V | GND |
| Com-P3 | 0V | +5V | 0V | +5V | +5V | 0V | X | X | GND | GND | +5V | GND | +5V | GND |
| Com-P4 | 0V | +5V | 0V | +5V | 0V | +5V | X | X | GND | GND | GND | GND | +5V | GND |


お問い合わせはこちら