開発力・製造力・商社力 三つの力でお客様のご要望にお応えいたします

小型ポラリメータ : PRIMは、4つの光電流出力から偏光状態(SOP:State of polarization) および偏光度DOP:Degree Of Polarization)を算出することができ偏光計です。非常に小型で1520-1610nmの波長範囲で使用できます。
| 型番 | PRIM | ||||
| 技術仕様 | |||||
| 動作波長範囲 | nm | 1520 ~ 1610 | |||
| Tap比 | % | 1 | 3 | 5 | 100 |
| 挿入損失(スルーポート) | dB | 0.4 | 0.5 | 0.6 | NA |
| 動作光パワー範囲 | dBm | -15 ~ +15 | -35 ~ +5 | ||
| PD応答性 | A/W | >0.9 | |||
| 波長依存応答性 | % | ±2 | |||
| PD直線性 | % | ±5 | |||
| PD暗電流 @-5V & 25℃ | nA | <1.0 | |||
| 帯域幅 @RL=50Ω | GHz | >0.6 | |||
| トータルキャパシタンス @ f=1MHz |
pF | <8 | |||
| リターンロス | dB | >50 | |||
| 最大光パワーハンドリング | mW | 30 | |||
|---|---|---|---|---|---|
| 最大PDフォワード電流 | mA | 10 | |||
| 最大PDリバース電圧 | V | 20 | |||
| 環境・物理的仕様 | |||||
| 動作温度 | ℃ | 0 ~ 70 | |||
| 保管温度 | ℃ | -40 ~ 85 | |||
| 相対湿度(無結露) | %RH | 10 ~ 90 | |||
| ファイバピグテイル | SMF-28e, 250μmベアファイバまたは900μmルーズチューブ | ||||
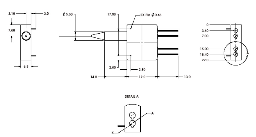
| サイズ | mm | 19 x 22 x 6.5 | |||
| メーカ | Lightwaves2020 | ||||


お問い合わせはこちら