開発力・製造力・商社力 三つの力でお客様のご要望にお応えいたします

光送受信モジュール:EPON-ONU-BOSA-1310T/1490Rは、FTTHにおけるONU用光トランシーバの基幹部品となる一心双方向光送受信サブアセンブリです。EPON-OLT-BOSA-1310T/1490Rは1310nm送信機と1490nm受信機を備えた小型、低価格なEPON用BOSAです。
・MQW DFB LD
・低閾値電流
・高出力
・InGaAsPモニタPD内蔵
・広い動作温度(-45 ~ +85℃)
・RoHs対応
|
![]() |
| 型番:EPON-ONU-BOSA-1310T/1490R | 単位 | Min. | Typ. | Max. |
| 絶対最大定格 | ||||
| 保管温度 | ℃ | -40 | – | 100 |
| 動作温度 | ℃ | -40 | – | 85 |
| LDリバース電圧 | V | – | – | 2 |
| ハンダ付け温度/時間 | ℃/s | – | – | 260/10 |
| 光 & 電気特性 | ||||
| 1310nm送信機 | ||||
| 光出力 @25℃ | mW | 1.1 | – | – |
| @85℃ | 0.7 | – | – | |
| 閾値電流 @25℃ | mA | – | 12 | 18 |
| @85℃ | – | – | 40 | |
| 動作波長 @25℃ | nm | 1290 | 1310 | 1330 |
| @-40~85℃ | 1260 | 1310 | 1360 | |
| RMSスペクトル幅 | nm | – | 1.5 | 2.5 |
| RIN | dB/Hz | – | – | -118 |
| リターンロストレランス | dB | 15 | – | – |
| トラッキングエラー | dB | -1 | – | 1 |
| 動作電圧 | V | – | 1.2 | 1.6 |
| モニタ電流 | mA | 0.1 | – | 2 |
| モニタ暗電流 | nA | – | – | 200 |
| 1490nm受信機 | ||||
| 受信波長 | nm | 1460 | 1490 | – |
| 飽和パワー | dBm | -3 | – | – |
| 感度 | dBm | – | – | -27.5 |
| リターンロス | dB | 50 | – | – |
| 帯域幅 | MHz | 720 | 950 | – |
| 出力インピーダンス | Ω | 46 | 50 | 54 |
| 損傷閾値 | dBm | 0 | – | – |
| 光クロストーク | dB | – | – | -40 |
| メーカ | O-send Opto-Electronics | |||
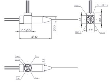
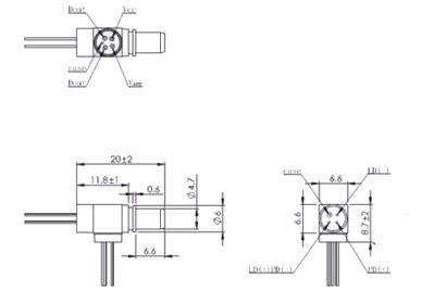
■ピン配置
●ピグテイルタイプ

●レセプタクルタイプ

お問い合わせはこちら