開発力・製造力・商社力 三つの力でお客様のご要望にお応えいたします

ファイバーラボ株式会社

■製品名:30GHzリニアフォトレシーバ (PR-30-A) Optilab

PR-30-Aはアナログ用の30GHzリニアフォトレシーバです。高直線性TIAゲイン、2つのGPPO-RF出力コネクタを特徴としています。フォトレシーバは14ピンバタフライパッケージにPINフォトダイオードと線形トランスインピーダンスアンプ(TIA)を装備しています。また、内蔵可変ゲインアンプにより手動(MGC)/自動(AGC)の両モードでゲインコントロール可能で、MGCモードで2000 V/Wのリニアな変換ゲインを得ることができます。AGCモードでは、一定差動電圧になるよう自動調節して1800mVまで出力できます。高変換ゲイン、低入力換算雑音で、高速アナログ受信用途に最適です。

■ 特徴
・35GHzまで調節可能な3dB帯域幅 ・VGA集積リニアTIA ・14Pin mini-DILパッケージ ・MGC & AGCモード ・2000V/Wの高コネクションゲイン ・ハーメチックシールバージョンも利用可
■ 用途
・低ノイズアナログヘテロダイン検出 ・トランスポンダー & ラインカード設計 ・30 GHz アナログRoFリンク ・PAM-4
 
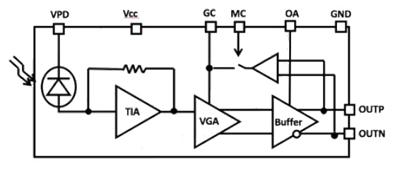
■ 機能ブロック図
■ 仕様 (データシートPDF
 型番 PR-30-A
 一般仕様
 最適動作波長
1250 ~ 1650 nm
 光入力レベル
+4 dBm max.
29 GHz typ. @ max. gain
 暗電流 @ 25℃, 3.3 V
5 nA typ.
 コンバージョンゲイン
1500 V/W min., 2000 V/W typ.
30 dB typ.
 光PDL @ 1550 nm
0.25 dB max.
3.3±0.2 V, 4.5 V max.
 TIA動作電圧
3.3±0.2 V
 出力リターンロス
<-10 dB 25 GHzまで
 差動出力電圧
1800 mVpp まで
 インピーダンス
50 Ω
 出力カップリング
DC (外部ACカップリングが必要)
 等価入力雑音密度
40 pA/√Hz max.
 機械的仕様
 動作温度(標準)
0 ℃ ~ +75 ℃
 動作温度(HS)
-30℃ ~ +75 ℃
 保管温度
-50℃ ~ +85℃
 動作湿度
85 % max.
 電源電流
90 mA typ..
 消費電力
300 mW typ.
 ハウジングサイズ
18 mm x 22 mm x 8.5 mm
 ファイバコネクタ (→光コネクタとは)
FC/APC 標準 or その他
 光ファイバ
SMF-28
 パッケージタイプ
14 pin butterfly min-DIL
 RF出力コネクタ
デュアル GPPO
 絶対最大定格
 PDリバースバイアス電圧  4.5 V
 入射光パワー 6 mW 
 ESD, 入出力ピン 1000 V min. 
 ESD, 他の全てのピン 2000 V min. 
 ラッチアップ JESD78 Class 2 
 湿度 95 %
 メーカ
Optilab

お問い合わせはこちら