開発力・製造力・商社力 三つの力でお客様のご要望にお応えいたします

ファイバーラボ株式会社

■ 製品名:980nm-PI光サーキュレータ (偏光無依存) Opneti Communications Co.

3ポート光サーキュレータは、ポート1に入射した光はポート2で出射、ポート2に入射した光はポート3で出射するように光が進む素子です。本製品は980nm,帯で動作する偏光無依存型の3ポート光サーキュレータです。

光サーキュレータの原理

■仕様
パラメータ 単位
ポート数 3ポート
動作波長 nm 980
動作波長範囲 nm ±10
Typ. 挿入損失 @23℃ dB 1.3
挿入損失 @23℃ dB ≦1.8
アイソレーション @23℃ all sop dB ≧20
クロストーク dB ≧45
リターンロス dB ≧50
WDL dB ≦0.2
ファイバタイプ HI 1060
許容入射光パワー CW mW 300
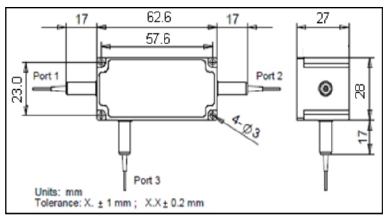
サイズ mm 96.6 x 28 x 27
動作温度 10 ~ +50
保管温度 -10 ~ +60
メーカ Opneti communications

 

■ パッケージ

Circulator-PI-780_830_850nm

■注文方法

お問い合わせはこちら